page
Store Locator

Beaver Proof Coil Chain Regular Link (25kg Pail)

Product Code: MH100325PP

Products to compare:
Comparing Products
Unit Description
Each
  • Description
  • Warranty, Return & Exchange Policy
  • Shipping Info

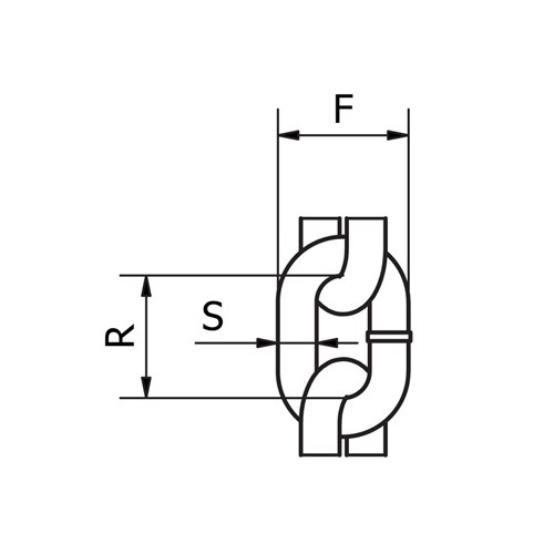
Beaver proof coil commercial chain is a non-rated chain, manufactured from low carbon steel and is for general purpose use only. "Proof coil" refers to the number of consistent links in any one length. This regular link proof coil chain is not suitable for lifting purposes, and is available in 25kg pails.

Product code Nominal Size S R F Finish m/25kg
100303P 3mm 3mm 16.6mm 13.1mm Galvanised 133m/25kg 
100304P 4mm 3.9mm 20mm 15.6mm Galvanised 80m/25kg 
100305P 5mm 4.7mm 25mm 18mm Galvanised 57m/25kg 
100306P 6mm 6mm 27mm 24mm Galvanised 33m/25kg
100308P 8mm 7.6mm 35.8mm 29.2mm Galvanised 21m/25kg 

For more information on our materials handling range, please contact our Customer Care team.

Warranty:

Returns will be accepted for faulty or defective goods and any other non-excludable obligations of Beaver Brands set out in The Competition and Consumer Act 2010, Schedule 2, Australian Consumer Law or similar State and Territory legislation.

Returns are subject to customer following Beaver Brands' recommended care and maintenance instructions which can be found on the garments swing tag. Beaver Brands garments found to be faulty will be replaced at no cost.

Items that are sourced from 3rd party distributors will carry their own manufacturer’s warranty.

Returns/Exchange Policy:

Beaver Brands to be notified within 7 days from receipt of order for any products that are to be returned/exchanged.

Before any items are returned the following steps need to be actioned:

  • Complete Return Authorisation Form (RAF)
  • Obtain a Return Authorisation Number
  • Forward the garments with the (RAF) form to the specified Beaver Brands branch
  • Goods will be inspected and credited off your account once approved

Please Note: Beaver Brands must approve all returns before they are forwarded back to the designated branch. These authorised returns must be freight prepaid and will only be accepted if they are in a saleable condition. Products specifically purchased, manufactured, machined or cut to size or to your company’s specification are not returnable unless prior approval has been given.

Please contact customercare@beaver.com.au to find out your FIS threshold.

Orders typically ship within 1 working day from our National Distribution Centre located in Erksine Park, NSW.

Technical Specifications
Category Beaver
Category Regular Link Chain
Brand Material Handling